Вопросы параметризации – один из моих любимых коньков. В рамках обучения студентов по нашей специальности на данный вопрос я трачу не много, не мало – целый семестр. И даже в рамках блога я ему посвятил ряд публикаций. Даже в свое время собирался выступить с докладом на одной из конференций организованной одним из вендоров для ВУЗов… Но в итоге как-то протормозил. Сейчас в рамках обещания постараюсь осветить этот вопрос.
Итак давайте рассмотрим классический РГЗ/ОДЗ по сопромату, строймеху, техмеху, теормеху (общие принципы будут задания все равно одинаковые). Для примера возьму задания на курсовой по ТММ от нашей кафедры:
Один из примеров чуть ближе:
Более подробно можно посмотреть по ссылке. Впрочем не думаю, что это сильно обязательно, потому как с подобными примерами заданий сталкивались все кто учился в техническом ВУЗе.
Итак, что же мы имеем? В данном случае у нас есть ряд кинематических схем (в методичке их 6). К каждой из них есть набор параметров. Они обозначены буквами. Ниже идет таблица, в которой 6 наборов комбинаций параметров. Итого у нас уже получается 36 вариантов, что вполне подходит даже для большой группы. Если сюда добавить различные законы для кулачка (4 шутки) и какие-то еще параметры, то получается достаточно неплохой набор пусть типовых, но все же разных задач.
По теоретической механике, когда я учился, помнится, нам выдали набор из 100 различных схем и большую таблицу с параметрами. Через теормех проходило одновременно очень большое количество людей, потому и количество вариантов там было больше. Причем.ю тем кто претендовал на отлично надо было решить не по одной задаче, а по несколько. Так как мы люди ленивые – мы быстро разобрались.ю что на самом деле там из всей сотни всего пяток принципиально различных схем. Составили наиболее общие варианты включающие все модификации, решили их в общем виде, а потом “рубили капусту” на потоке. На чем собственно и погорели. Так как решения-то были все один в один, а большинство и объяснить-то не могло, что там и как делалось. Естественно нас (коллектив, который так по хамски поступил с задачами) быстро сдали… Но, что самое интересное, после длительного расстрела у доски, преподаватель просто выдал нам конкретные задания наперед и предложил альтернативу –
- либо не появляться до конца семестра, но не решать никому и ничего,
- либо поработать на свое будущее т.е. например над более серьезными задачами, которые могут плавно перетечь в кандидатскую (это к вопросу о зубрежке и понимании, вернее к вопросу как можно занять “выдающихся”).
Честно говоря нас больше заинтересовал второй вариант и некоторое время мы занимались задачами, с которыми наши товарищи столкнулись только на 4м и 5м курсе.
Так вот. К чему бы это я? К параметричности. Как видим в классических дисциплинах преимущество параметризации оценены давно и используются по полной. Причем используются не только в курсовых, но и в обычных задачах на которых построено обучение. Как там Из пункта А в пункт Б… и чего ему не сидится…
Даже в мультфильме обыгрывалось (см. заглавную картинку публикации)
***
А теперь давайте рассмотрим любой обучающий пример по САПР. Ну пусть не любой,но большинство. В качестве “любого” возьму пример обучения по SW. Не смотря на то, что параметричность – основной конек САПров, где-то какие-то параметры вообще встречаются? Ну ладно, оно понятно, что в рамках одного урока это никто делать не будет. Так ведь и в большинстве наших методичек и книг этого нет. И не надо мне говорить, что они в целом содраны один к одному либо со справки либо с западных книг. Кстати у западников тоже как-то редко наблюдается. Даже в курсах передовиков производства типа MiT…
В целом дальнейшее повествование считаю не сверх обязательным - думаю большинство уже и так поняло намек к движению. Но оставлять так все равно не хочется, по сему приведу пример.
Итак, берем простой вал. Одно из классических заданий по начерталке/инженерке/компграфике:
Детали типовые, с десяток элементарных операций т.е. не сверх сложные. В большинстве учебников такие присутствуют. Теперь давайте возьмем и сделаем из них параметричные:
Буквально удалив несколько цифровых значений и заменив на параметры можно добиться того, что количество вариантов стало неограниченным.
Что еще можно сделать? Можно в качестве параметра добавить наличие отсутствие и тип (сквозное/глухое) отверстий, профили паза, тип сечения в конкретном месте (шестигранник, треугольник, квадрат, прямоугольник). Это усложняет задачу преподавателю, но и делает чуточку сложнее задачу для студентов. Однако от того, что из поколения в поколения будут передаваться уже готовые работы мы таким образом спасти не можем.
Отсюда выводы? Например, что подобные работы засчитываются при выполнении в аудитории. Уже чуть лучше. Но ведь не всегда пропуски бывают по неуважительным причинам, и не все будут просто драть. Значит надо как-то выровнять условия для того, чтобы те кто выполняют самостоятельно и те кто привыкли “копипастить” попали в "одинаковые" условия. Возможно ли это? В чистом виде нет, но приблизиться к данному показателю возможно. Например так:
Вводим различные варианты создания базовых фичеров:
- Одни получают задание строить по принципу поэтапного построения, другие по методике приближенной к технологии изготовления (по сути добавлением или вычитанием материала в данном случае).
- Еще вариации как строить цилиндрические части? Revolve или extrude?
- Отверстия, скругления, пазы – делать сразу, или в конце построения?
Разбиваем построение на несколько этапов и на каждом из этапов контролируем некоторые величины, а другие меняем. Например:
- постройте первую ступень (полностью с пазами, отверстиями или без оных) с набором параметров №1, укажите получившийся объем (массу, моменты инерции),
- измените на набор №2, №3…
- постройте вторую ступень укажите:
- массу (с новым материалом),
- объем или их изменение (или даже сумму), или
- объем снимаемой стружки в процессе изготовления или
- скорость обработки, для времени обработки, или время обработки, для скорости
И так далее. При этом в качестве “контролируемых параметров” могут выступать даже цвет всей детали и ее частей на определенных этапах. Или вывод результатов в определенной системе координат. Опять же выполнение задания можно делать по системе тестов, но в отдельных случаях просить выбрать результат из списка, а в отдельных – указать самостоятельно (прописать значение).
***
Теперь как все это контролировать. То что студентам жизнь усложняется вроде как понятно, но им то не сильно, а вот преподавателям – ого-го как! На самом деле не так уж и сильно. Особенно если помнить о то, что усложнения можно вводить поэтапно (как и процесс создания новых предметов). Итак, если посмотреть на список названных параметров то у нас есть параметры влияющие на цифровые показатели модели и те которые влияют на ее визуальную часть.
Что влияет на цифры? Во первых цифровые значения тех самых параметров L1, A1, A2, A3… d1, d2… Во вторых последовательность операций. При этом в некотором смысле, изменение ряда величин является неизменными от их места в дереве. Например изменение массы/объема от добавления к геометрии пазов будет одинаковым, что в начале дерева, что в конце. А вот изменение инерционных характеристик – уже хужее, но тоже вполне вычисляемо (особенно для преподавателя).
Теперь, какие значения меняются – размеры заготовок, объем, масса, инерционные характеристики и все их “производные” (в смысле величины, которые можно получить из них алгебраическим способом)
На самом деле вариантов не так и много и не так уж и трудно создать параметрическую модель и программу, которая выведет все варианты возможных контролируемых параметров. Или не все, а только необходимые. Или не выведет, а сравнит то, что ввел студент с тем, что она вычислила.
Точно так же, как не слишком трудно подобную программу написать преподавателям – могут найтись студенты которые также справятся с данной задачей. Возможно они не будут знать про все подвохи и варианты – но могут существенно упростить задачу своим коллегам и будущим поколениям. И вот тут-то и вступают в игру те параметры, которые я назвал не смысловыми, а визуальными….
Если на каждом из этапов студенту надо будет сохранить и отправить преподавателю/системе модель или скриншот, на котором четко будут видны цвета, дерево построения и прочая, то хочешь не хочешь, а надо делать и делать с нуля. Иначе цифры совпадут, а какая-то мелочь – нет. В принципе и тут можно написать скрипт/программу, который будет выполнять все прихоти. Но как мне кажется – такому студенту можно сразу ставить оценку за одно это
.
Так вот. В общем случае создать подобную программу будет проблематично, да и не нужно, а повторять одно и то же десятки раз пусть и с мелкими различиями умным ребятам будет не интересно, а следовательно повышается вероятность, что данное задание будет выполнено именно тем кто его получил. Если все же это будет делать не он, а кто-то другой, что к сожалению, не исключено, этот кто-то получит дополнительную практику и лучше закрепит материал. Что, как мне кажется, тоже вполне неплохо.
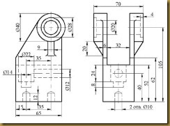
Приведенная геометрия взята из комплексного экзамена по нашей специальности, который проводился в прошлые года на 6м курсе у нас на кафедре. Как можно увидеть геометрия из заданий - "нагло стырена" со все тех же классических решебников. Надеюсь, что в этом году он немного усложнится. Если, конечно, руки дойдут.
Комплексный экзамен (вернее его часть посвященная САПР) состоит из двух кусков:
1. Построение геометрии + чертеж
2. Построение геометрии +расчет
Геометрия на первую часть (несколько вариантов):
Так как экзамен проходит под контролем преподавателей, с геом. параметрами в данном случае никто не заморачивается. Дополнительных промежуточных действий тоже нет в связи с ограниченностью времени на экзамен (об этом ниже). Однако кроме непосредственно геометрии есть еще задание, которое звучит так:
1.1. Построить трехмерную геометрическую модель согласно эскизу 1.2. На базе геометрической модели создать чертежи согласно требованиям ДСТУ. Между чертежом и моделью должна быть полная двусторонняя ассоциативная связь.
1.3. Вычислить и привести на чертеже:
| 1 | Массу детали |
| 2 | Положение центра масс |
| 3 | Главные моменты инерции |
| 4 | Полную поверхностную площадь детали |
| 5 | Объем детали |
| 6 | Максимальный габарит детали |
| 7 | Моменты инерции |
| 8 | Габариты заготовки |
| 9 | Массу заготовки |
| 10 | Объем удаляемого материала. |
Расчетная часть опирается на геометрию, которая приведена в начале публикации (т.е. на оси-валы) При этом в качестве варьируемых параметров выступают:
2.1 Построить трехмерную геометрическую модель согласно эскизу 2.2. Исследовать модель:
| 1 | Определить параметры напряженно-деформированного состояния |
| 2 | Найти коэффициент запаса прочности |
| 3 | Найти 10 первых собственных частот и форм незакрепленной и ненагруженной конструкции |
| 4 | Найти 10 первых форм потери устойчивости конструкции. Определить уровень запаса исходя из требований устойчивости |
| 5 | Найти наиболее опасные сечения с точки зрения напряженности конструкции |
| 6 | Подобрать материал детали с целью минимизации массы детали, при заданном коэффициенте запаса |
| 7 | Найти 10 первых собственных частот и форм закрепленной но ненагруженной конструкции |
| 8 | Найти 10 первых собственных частот и форм закрепленной и нагруженной конструкции |
| 9 | Провести оптимизацию параметров формы детали с целью минимизации значения максимальных суммарных перемещений |
| 10 | Провести оптимизацию параметров формы детали с целью минимизации значения максимальных напряжений по Мизесу |
- Модель жестко закрепляется по передней (задней) грани
- Нагружается силой 10кН с торца обратного закреплению (величина силы – параметр, направление – сжатие, растяжение, изгиб - параметр)
- Все сквозные отверстия нагружены давлением 1 кН/м2 (величина давления - параметр)
Таблица материалов:
| № | Название материала | Модуль упругости (Па) | Коэффициент Пуассона | плотность (кг/м3) | Предел текучести (Па) |
| 1 | Steel AISI 1020 | 2e11 | 0.29 | 7900 | 351571000 |
| 2 | Cast Alloy Steel | 1.9e11 | 0.26 | 7300 | 241275200 |
| 3 | Plain carbon Steel | 2.1e11 | 0.28 | 7800 | 220594000 |
| 4 | Gray Cast Iron | 6.62e10 | 0.27 | 7200 | - |
| 5 | Aluminum 1060 Alloy | 6.9e10 | 0.33 | 2700 | 27574200 |
| 6 | Aluminum 6061 Alloy | 6.9e10 | 0.33 | 2700 | 55148500 |
| 7 | Aluminum 7079 Alloy | 7.2e10 | 0.33 | 2690 | 505000000 |
| 8 | Copper | 1.1e11 | 0.37 | 8900 | 258648000 |
| 9 | Molybdenum | 3.2e11 | 0.38 | 10000 | 325000000 |
| 10 | Titanium Ti-8Al-1Mo-1V | 1.2e11 | 0.32 | 4370 | 910000000 |
Таким образом получается приличное количество вариаций. Тут надо заметить, что задания по построению геометрии из приведенных выше примеров это наши классические ОДЗ на первом курсе во втором семестре (они их делают руками на бумаге, а потом на компьютере в SW). Однако, как уже упоминалось времени на практику комплексного экзамена выделано аж три часа. А кроме САПР там есть (ибо обязан быть) еще кусок по основным предметам за все предыдущие годы обучения: детали машин, ТММ, программирование…
А с учетом этого – сроки получаются достаточно жесткими.
***
Предвосхищая вопрос. Именно в таком стиле мы пытаемся сделать большую часть своих методических указаний по кафедре. Но пока они находятся в стадии далекой от завершения.
Как итог. В таком ключе можно переделать практически любые уже существующие материалы, уроки и задания. Но как бы это красиво не звучало, придется приложить усилия и желательно нескольких преподавателей читающих один и тот же предмет. Кроме того, нужно изначально начать планирование таких уроков. и вложить труда в квадрате от того что потом хотите получить. Но, как нам кажется, оно того стоит.
А какова Ваша точка зрения? Может Вы с упомянутыми проблемами боретесь по другому?
Интересное задание, надо сделать его.
ОтветитьУдалитьРечь про ТММ, вал, или модель для чертежа? Или речь про программу автоматизации? Или, может, о программе тестирования?
ОтветитьУдалитьЧто именно для Вас интересно? ;)